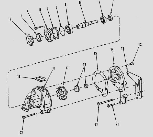
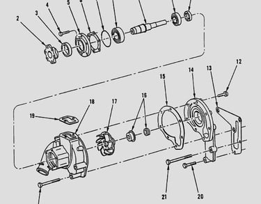
vandens pompŲ REMONTAS BEI PARDAVIMAS, DAUGIAU INFO +370 645 27279, M.Sederavičiaus g. 12, Kaunas

UAB JAPONITA savo veiklą pradėjo įsigydama vandens pompų restauravimo įranga iš Japonijos. Ilgametė patirtis, profesionalumas, moderni įranga leidžia patenkinti didžiąją dalį kliento lūkesčių.